-
Главная
- УГЛОВОЙ АДАПТЕР 90° MALE ORFS - MALE NPT 60°
УГЛОВОЙ АДАПТЕР 90° MALE ORFS - MALE NPT 60°
Показать Сайдбар
Каталог
Трубопроводная арматура
- Трубные соединения (Адаптеры по DIN 2353/ISO8434-1)
- Штуцеры и адаптеры для РВД
- Зажимы для гидравлических труб
- Труба прецизионная
Системы смазки
Шланги и Рукава высокого давления
- Стандартные шланги высокого давления
- Специальные шланги высокого давления
- Термопластиковые рукава
- Тефлоновые рукава (PTFE)
Фитинги и муфты для РВД
Защита для РВД
- Гильза обжимная
- Пластиковая защита для РВД
- Металлическая защитная спираль для РВД
- Текстильная защита для РВД
- Огнеупорная защита для РВД
Элементы контроля и диагностики гидросистем
- Манометры
- Контрольные точки
- Микрошланги
- Муфты и фитинги для микрошлангов
- Адапторы для манометров
- Краны "anti-shock" для манометров
- Расходомеры гидравлические
- Указатели уровня масла и температуры
- Диагностические наборы
Уплотнения
- Кольца USIT
- Кольцо резиновое для ORFS
- Кольца круглого сечения ГОСТ 9833-73
- Наборы уплотнительных колец O-RING
Быстроразъемные соединения (БРС)
- БРС ISO 7241-1 A (ISO A)
- БРС ISO 7241-1 B (ISO B)
- Шариковые БРС специальных серий
- БРС FIRG/FLAT FACE ISO 16028
- БРС FLAT FACE различных серий
- БРС на высокое давление 700 bar (серия HPA)
- Резьбовые БРС различных серий
- Заглушки для БРС
Элементы гидросистем
- Краны и диверторы
- Клапана
- Плиты гидравлические
- Гидрораспределители
- Колокола и муфты
- Гидробаки
- Фильтры и фильтроэлементы
- Теплообменники
- Гидроаккумуляторы
- Насосы
Промышленные рукава
Промышленная арматура
Хомуты
Гидростанции и станции фильтрации и перекачки
Показать Сайдбар
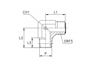
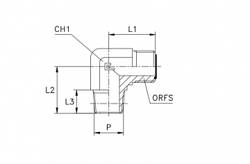
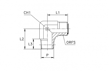
TN94-ORFS 9/16"-NPT 1/8" Объекты каталога Основные параметры Поле title TN94-ORFS 9/16"-NPT 1/8" Поле h1 TN94-ORFS 9/16"-NPT 1/8" Ценовые свойства Цена 0 Склады Общее количество на складах 0 Основные характеристики Артикул 403901 Старая цена 0 Описание Ввертной угловой адаптер (штуцер в тело-труба) резьбовое соединение с ORFS наружной резьбой под трубы или рвд с одной стороны и с наружной NPT резьбой в тело с другой, под углом 90 градусов. оригинальная цена 0 Изображения Картинка /images/cms/data/import_files/04/tn94-orfs_9_16_-npt_1_8.jpeg 1C: Специфические свойства Резьба 1 Резьба 2 Выгружать на сайт Производитель Максимальное рабочее давление (bar) CAST PARKER VOSS Hydroscand HANSA-FLEX Vitillo 1C: Общие свойства Идентификатор каталога 1С d85a7423-835c-4153-a373-d8fccd4a7813 Идентификатор в 1С 04196998-49b6-11ef-a7b4-00155d00c800
Артикул: 403901
TN94-ORFS 9/16"-NPT 1/8"
В наличии
Цена: По запросу
TN94-ORFS 11/16"-NPT 1/4" Объекты каталога Основные параметры Поле title TN94-ORFS 11/16"-NPT 1/4" Поле h1 TN94-ORFS 11/16"-NPT 1/4" Ценовые свойства Цена 0 Склады Общее количество на складах 0 Основные характеристики Артикул 403902 Старая цена 0 Описание Ввертной угловой адаптер (штуцер в тело-труба) резьбовое соединение с ORFS наружной резьбой под трубы или рвд с одной стороны и с наружной NPT резьбой в тело с другой, под углом 90 градусов. оригинальная цена 0 Изображения Картинка /images/cms/data/import_files/87/tn94-orfs_11_16_-npt_1_4.jpeg 1C: Специфические свойства Резьба 1 Резьба 2 Выгружать на сайт Производитель Максимальное рабочее давление (bar) CAST PARKER VOSS Hydroscand HANSA-FLEX Vitillo 1C: Общие свойства Идентификатор каталога 1С d85a7423-835c-4153-a373-d8fccd4a7813 Идентификатор в 1С 87bc7cf7-547f-11ef-a7b4-00155d00c800
Артикул: 403902
TN94-ORFS 11/16"-NPT 1/4"
В наличии
Цена: По запросу
TN94-ORFS 13/16"-NPT 3/8" Объекты каталога Основные параметры Поле title TN94-ORFS 13/16"-NPT 3/8" Поле h1 TN94-ORFS 13/16"-NPT 3/8" Ценовые свойства Цена 0 Склады Общее количество на складах 0 Основные характеристики Артикул 403903 Старая цена 0 Описание Ввертной угловой адаптер (штуцер в тело-труба) резьбовое соединение с ORFS наружной резьбой под трубы или рвд с одной стороны и с наружной NPT резьбой в тело с другой, под углом 90 градусов. оригинальная цена 0 Изображения Картинка /images/cms/data/import_files/72/tn94-orfs_13_16_-npt_3_8.jpeg 1C: Специфические свойства Резьба 1 Резьба 2 Выгружать на сайт Производитель Максимальное рабочее давление (bar) CAST PARKER VOSS Hydroscand HANSA-FLEX Vitillo 1C: Общие свойства Идентификатор каталога 1С d85a7423-835c-4153-a373-d8fccd4a7813 Идентификатор в 1С 72a8690c-5489-11ef-a7b4-00155d00c800
Артикул: 403903
TN94-ORFS 13/16"-NPT 3/8"
В наличии
Цена: По запросу
TN94-ORFS 1"-NPT 1/2" Объекты каталога Основные параметры Поле title TN94-ORFS 1"-NPT 1/2" Поле h1 TN94-ORFS 1"-NPT 1/2" Ценовые свойства Цена 0 Склады Общее количество на складах 0 Основные характеристики Артикул 403904 Старая цена 0 Описание Ввертной угловой адаптер (штуцер в тело-труба) резьбовое соединение с ORFS наружной резьбой под трубы или рвд с одной стороны и с наружной NPT резьбой в тело с другой, под углом 90 градусов. оригинальная цена 0 Изображения Картинка /images/cms/data/import_files/f7/tn94-orfs_1_-npt_1_2.jpeg 1C: Специфические свойства Резьба 1 Резьба 2 Выгружать на сайт Производитель Максимальное рабочее давление (bar) CAST PARKER VOSS Hydroscand HANSA-FLEX Vitillo 1C: Общие свойства Идентификатор каталога 1С d85a7423-835c-4153-a373-d8fccd4a7813 Идентификатор в 1С f75bf7ce-5489-11ef-a7b4-00155d00c800
Артикул: 403904
TN94-ORFS 1"-NPT 1/2"
В наличии
Цена: По запросу
TN94-ORFS 1.3/16"-NPT 3/4" Объекты каталога Основные параметры Поле title TN94-ORFS 1.3/16"-NPT 3/4" Поле h1 TN94-ORFS 1.3/16"-NPT 3/4" Ценовые свойства Цена 0 Склады Общее количество на складах 0 Основные характеристики Артикул 403905 Старая цена 0 Описание Ввертной угловой адаптер (штуцер в тело-труба) резьбовое соединение с ORFS наружной резьбой под трубы или рвд с одной стороны и с наружной NPT резьбой в тело с другой, под углом 90 градусов. оригинальная цена 0 Изображения Картинка /images/cms/data/import_files/b1/tn94-orfs_1_3_16_-npt_3_4.jpeg 1C: Специфические свойства Резьба 1 Резьба 2 Выгружать на сайт Производитель Максимальное рабочее давление (bar) CAST PARKER VOSS Hydroscand HANSA-FLEX Vitillo 1C: Общие свойства Идентификатор каталога 1С d85a7423-835c-4153-a373-d8fccd4a7813 Идентификатор в 1С b18adffa-548a-11ef-a7b4-00155d00c800
Артикул: 403905
TN94-ORFS 1.3/16"-NPT 3/4"
В наличии
Цена: По запросу
TN94-ORFS 1.7/16"-NPT 1" Объекты каталога Основные параметры Поле title TN94-ORFS 1.7/16"-NPT 1" Поле h1 TN94-ORFS 1.7/16"-NPT 1" Ценовые свойства Цена 0 Склады Общее количество на складах 0 Основные характеристики Артикул 403906 Старая цена 0 Описание Ввертной угловой адаптер (штуцер в тело-труба) резьбовое соединение с ORFS наружной резьбой под трубы или рвд с одной стороны и с наружной NPT резьбой в тело с другой, под углом 90 градусов. оригинальная цена 0 Изображения Картинка /images/cms/data/import_files/31/tn94-orfs_1_7_16_-npt_1.jpeg 1C: Специфические свойства Резьба 1 Резьба 2 Выгружать на сайт Производитель Максимальное рабочее давление (bar) CAST PARKER VOSS Hydroscand HANSA-FLEX Vitillo 1C: Общие свойства Идентификатор каталога 1С d85a7423-835c-4153-a373-d8fccd4a7813 Идентификатор в 1С 31f79894-548d-11ef-a7b4-00155d00c800
Артикул: 403906
TN94-ORFS 1.7/16"-NPT 1"
В наличии
Цена: По запросу
TN94-ORFS 1.11/16"-NPT 1.1/4" Объекты каталога Основные параметры Поле title TN94-ORFS 1.11/16"-NPT 1.1/4" Поле h1 TN94-ORFS 1.11/16"-NPT 1.1/4" Ценовые свойства Цена 0 Склады Общее количество на складах 0 Основные характеристики Артикул 403907 Старая цена 0 Описание Ввертной угловой адаптер (штуцер в тело-труба) резьбовое соединение с ORFS наружной резьбой под трубы или рвд с одной стороны и с наружной NPT резьбой в тело с другой, под углом 90 градусов. оригинальная цена 0 Изображения Картинка /images/cms/data/import_files/ca/tn94-orfs_1_11_16_-npt_1_1_4.jpeg 1C: Специфические свойства Резьба 1 Резьба 2 Выгружать на сайт Производитель Максимальное рабочее давление (bar) CAST PARKER VOSS Hydroscand HANSA-FLEX Vitillo 1C: Общие свойства Идентификатор каталога 1С d85a7423-835c-4153-a373-d8fccd4a7813 Идентификатор в 1С ca287b74-548d-11ef-a7b4-00155d00c800
Артикул: 403907
TN94-ORFS 1.11/16"-NPT 1.1/4"
В наличии
Цена: По запросу
TN94-ORFS 2"-NPT 1.1/2" Объекты каталога Основные параметры Поле title TN94-ORFS 2"-NPT 1.1/2" Поле h1 TN94-ORFS 2"-NPT 1.1/2" Ценовые свойства Цена 0 Склады Общее количество на складах 0 Основные характеристики Артикул 403908 Старая цена 0 Описание Ввертной угловой адаптер (штуцер в тело-труба) резьбовое соединение с ORFS наружной резьбой под трубы или рвд с одной стороны и с наружной NPT резьбой в тело с другой, под углом 90 градусов. оригинальная цена 0 Изображения Картинка /images/cms/data/import_files/de/tn94-orfs_2_-npt_1_1_2.jpeg 1C: Специфические свойства Резьба 1 Резьба 2 Выгружать на сайт Производитель Максимальное рабочее давление (bar) CAST PARKER VOSS HANSA-FLEX Vitillo 1C: Общие свойства Идентификатор каталога 1С d85a7423-835c-4153-a373-d8fccd4a7813 Идентификатор в 1С de245d3f-548f-11ef-a7b4-00155d00c800
Артикул: 403908
TN94-ORFS 2"-NPT 1.1/2"
В наличии
Цена: По запросу
TN94-ORFS 9/16"-NPT 1/4" Объекты каталога Основные параметры Поле title TN94-ORFS 9/16"-NPT 1/4" Поле h1 TN94-ORFS 9/16"-NPT 1/4" Ценовые свойства Цена 0 Склады Общее количество на складах 0 Основные характеристики Артикул 403909 Старая цена 0 Описание Ввертной угловой адаптер (штуцер в тело-труба) резьбовое соединение с ORFS наружной резьбой под трубы или рвд с одной стороны и с наружной NPT резьбой в тело с другой, под углом 90 градусов. оригинальная цена 0 Изображения Картинка /images/cms/data/import_files/60/tn94-orfs_9_16_-npt_1_4.jpeg 1C: Специфические свойства Резьба 1 Резьба 2 Выгружать на сайт Производитель Максимальное рабочее давление (bar) CAST PARKER VOSS Hydroscand HANSA-FLEX Vitillo 1C: Общие свойства Идентификатор каталога 1С d85a7423-835c-4153-a373-d8fccd4a7813 Идентификатор в 1С 6071dffc-5490-11ef-a7b4-00155d00c800
Артикул: 403909
TN94-ORFS 9/16"-NPT 1/4"
В наличии
Цена: По запросу
TN94-ORFS 9/16"-NPT 3/8" Объекты каталога Основные параметры Поле title TN94-ORFS 9/16"-NPT 3/8" Поле h1 TN94-ORFS 9/16"-NPT 3/8" Ценовые свойства Цена 0 Склады Общее количество на складах 0 Основные характеристики Артикул 403910 Старая цена 0 Описание Ввертной угловой адаптер (штуцер в тело-труба) резьбовое соединение с ORFS наружной резьбой под трубы или рвд с одной стороны и с наружной NPT резьбой в тело с другой, под углом 90 градусов. оригинальная цена 0 Изображения Картинка /images/cms/data/import_files/cf/tn94-orfs_9_16_-npt_3_8.jpeg 1C: Специфические свойства Резьба 1 Резьба 2 Выгружать на сайт Производитель Максимальное рабочее давление (bar) CAST Vitillo 1C: Общие свойства Идентификатор каталога 1С d85a7423-835c-4153-a373-d8fccd4a7813 Идентификатор в 1С cfa19755-5490-11ef-a7b4-00155d00c800
Артикул: 403910
TN94-ORFS 9/16"-NPT 3/8"
В наличии
Цена: По запросу
TN94-ORFS 11/16"-NPT 3/8" Объекты каталога Основные параметры Поле title TN94-ORFS 11/16"-NPT 3/8" Поле h1 TN94-ORFS 11/16"-NPT 3/8" Ценовые свойства Цена 0 Склады Общее количество на складах 0 Основные характеристики Артикул 403911 Старая цена 0 Описание Ввертной угловой адаптер (штуцер в тело-труба) резьбовое соединение с ORFS наружной резьбой под трубы или рвд с одной стороны и с наружной NPT резьбой в тело с другой, под углом 90 градусов. оригинальная цена 0 Изображения Картинка /images/cms/data/import_files/4d/tn94-orfs_11_16_-npt_3_8.jpeg 1C: Специфические свойства Резьба 1 Резьба 2 Выгружать на сайт Производитель Максимальное рабочее давление (bar) CAST PARKER VOSS Hydroscand HANSA-FLEX Vitillo 1C: Общие свойства Идентификатор каталога 1С d85a7423-835c-4153-a373-d8fccd4a7813 Идентификатор в 1С 4d1714b7-5491-11ef-a7b4-00155d00c800
Артикул: 403911
TN94-ORFS 11/16"-NPT 3/8"
В наличии
Цена: По запросу
TN94-ORFS 11/16"-NPT 1/2" Объекты каталога Основные параметры Поле title TN94-ORFS 11/16"-NPT 1/2" Поле h1 TN94-ORFS 11/16"-NPT 1/2" Ценовые свойства Цена 0 Склады Общее количество на складах 0 Основные характеристики Артикул 403912 Старая цена 0 Описание Ввертной угловой адаптер (штуцер в тело-труба) резьбовое соединение с ORFS наружной резьбой под трубы или рвд с одной стороны и с наружной NPT резьбой в тело с другой, под углом 90 градусов. оригинальная цена 0 Изображения Картинка /images/cms/data/import_files/d1/tn94-orfs_11_16_-npt_1_2.jpeg 1C: Специфические свойства Резьба 1 Резьба 2 Выгружать на сайт Производитель Максимальное рабочее давление (bar) CAST PARKER VOSS Hydroscand HANSA-FLEX Vitillo 1C: Общие свойства Идентификатор каталога 1С d85a7423-835c-4153-a373-d8fccd4a7813 Идентификатор в 1С d15b6bdf-5491-11ef-a7b4-00155d00c800
Артикул: 403912
TN94-ORFS 11/16"-NPT 1/2"
В наличии
Цена: По запросу
TN94-ORFS 13/16"-NPT 1/4" Объекты каталога Основные параметры Поле title TN94-ORFS 13/16"-NPT 1/4" Поле h1 TN94-ORFS 13/16"-NPT 1/4" Ценовые свойства Цена 0 Склады Общее количество на складах 0 Основные характеристики Артикул 403913 Старая цена 0 Описание Ввертной угловой адаптер (штуцер в тело-труба) резьбовое соединение с ORFS наружной резьбой под трубы или рвд с одной стороны и с наружной NPT резьбой в тело с другой, под углом 90 градусов. оригинальная цена 0 Изображения Картинка /images/cms/data/import_files/50/tn94-orfs_13_16_-npt_1_4.jpeg 1C: Специфические свойства Резьба 1 Резьба 2 Выгружать на сайт Производитель Максимальное рабочее давление (bar) CAST Vitillo 1C: Общие свойства Идентификатор каталога 1С d85a7423-835c-4153-a373-d8fccd4a7813 Идентификатор в 1С 5025b763-5492-11ef-a7b4-00155d00c800
Артикул: 403913
TN94-ORFS 13/16"-NPT 1/4"
В наличии
Цена: По запросу
TN94-ORFS 13/16"-NPT 1/2" Объекты каталога Основные параметры Поле title TN94-ORFS 13/16"-NPT 1/2" Поле h1 TN94-ORFS 13/16"-NPT 1/2" Ценовые свойства Цена 0 Склады Общее количество на складах 0 Основные характеристики Артикул 403914 Старая цена 0 Описание Ввертной угловой адаптер (штуцер в тело-труба) резьбовое соединение с ORFS наружной резьбой под трубы или рвд с одной стороны и с наружной NPT резьбой в тело с другой, под углом 90 градусов. оригинальная цена 0 Изображения Картинка /images/cms/data/import_files/c0/tn94-orfs_13_16_-npt_1_2.jpeg 1C: Специфические свойства Резьба 1 Резьба 2 Выгружать на сайт Производитель Максимальное рабочее давление (bar) CAST PARKER VOSS Hydroscand HANSA-FLEX Vitillo 1C: Общие свойства Идентификатор каталога 1С d85a7423-835c-4153-a373-d8fccd4a7813 Идентификатор в 1С c0ae7aad-5492-11ef-a7b4-00155d00c800
Артикул: 403914
TN94-ORFS 13/16"-NPT 1/2"
В наличии
Цена: По запросу
TN94-ORFS 13/16"-NPT 3/4" Объекты каталога Основные параметры Поле title TN94-ORFS 13/16"-NPT 3/4" Поле h1 TN94-ORFS 13/16"-NPT 3/4" Ценовые свойства Цена 0 Склады Общее количество на складах 0 Основные характеристики Артикул 403915 Старая цена 0 Описание Ввертной угловой адаптер (штуцер в тело-труба) резьбовое соединение с ORFS наружной резьбой под трубы или рвд с одной стороны и с наружной NPT резьбой в тело с другой, под углом 90 градусов. оригинальная цена 0 Изображения Картинка /images/cms/data/import_files/08/tn94-orfs_13_16_-npt_3_4.jpeg 1C: Специфические свойства Резьба 1 Резьба 2 Выгружать на сайт Производитель Максимальное рабочее давление (bar) CAST PARKER VOSS Hydroscand HANSA-FLEX Vitillo 1C: Общие свойства Идентификатор каталога 1С d85a7423-835c-4153-a373-d8fccd4a7813 Идентификатор в 1С 083cc1b9-54b0-11ef-a7b4-00155d00c800
Артикул: 403915
TN94-ORFS 13/16"-NPT 3/4"
В наличии
Цена: По запросу
TN94-ORFS 1"-NPT 3/8" Объекты каталога Основные параметры Поле title TN94-ORFS 1"-NPT 3/8" Поле h1 TN94-ORFS 1"-NPT 3/8" Ценовые свойства Цена 0 Склады Общее количество на складах 0 Основные характеристики Артикул 403916 Старая цена 0 Описание Ввертной угловой адаптер (штуцер в тело-труба) резьбовое соединение с ORFS наружной резьбой под трубы или рвд с одной стороны и с наружной NPT резьбой в тело с другой, под углом 90 градусов. оригинальная цена 0 Изображения Картинка /images/cms/data/import_files/69/tn94-orfs_1_-npt_3_8.jpeg 1C: Специфические свойства Резьба 1 Резьба 2 Выгружать на сайт Производитель Максимальное рабочее давление (bar) CAST Vitillo 1C: Общие свойства Идентификатор каталога 1С d85a7423-835c-4153-a373-d8fccd4a7813 Идентификатор в 1С 697da0ef-54b0-11ef-a7b4-00155d00c800
Артикул: 403916
TN94-ORFS 1"-NPT 3/8"
В наличии
Цена: По запросу
TN94-ORFS 1"-NPT 3/4" Объекты каталога Основные параметры Поле title TN94-ORFS 1"-NPT 3/4" Поле h1 TN94-ORFS 1"-NPT 3/4" Ценовые свойства Цена 0 Склады Общее количество на складах 0 Основные характеристики Артикул 403917 Старая цена 0 Описание Ввертной угловой адаптер (штуцер в тело-труба) резьбовое соединение с ORFS наружной резьбой под трубы или рвд с одной стороны и с наружной NPT резьбой в тело с другой, под углом 90 градусов. оригинальная цена 0 Изображения Картинка /images/cms/data/import_files/c6/tn94-orfs_1_-npt_3_4.jpeg 1C: Специфические свойства Резьба 1 Резьба 2 Выгружать на сайт Производитель Максимальное рабочее давление (bar) CAST PARKER VOSS Hydroscand HANSA-FLEX Vitillo 1C: Общие свойства Идентификатор каталога 1С d85a7423-835c-4153-a373-d8fccd4a7813 Идентификатор в 1С c69689be-54b0-11ef-a7b4-00155d00c800
Артикул: 403917
TN94-ORFS 1"-NPT 3/4"
В наличии
Цена: По запросу
TN94-ORFS 1.3/16"-NPT 1/2" Объекты каталога Основные параметры Поле title TN94-ORFS 1.3/16"-NPT 1/2" Поле h1 TN94-ORFS 1.3/16"-NPT 1/2" Ценовые свойства Цена 0 Склады Общее количество на складах 0 Основные характеристики Артикул 403918 Старая цена 0 Описание Ввертной угловой адаптер (штуцер в тело-труба) резьбовое соединение с ORFS наружной резьбой под трубы или рвд с одной стороны и с наружной NPT резьбой в тело с другой, под углом 90 градусов. оригинальная цена 0 Изображения Картинка /images/cms/data/import_files/39/tn94-orfs_1_3_16_-npt_1_2.jpeg 1C: Специфические свойства Резьба 1 Резьба 2 Выгружать на сайт Производитель Максимальное рабочее давление (bar) CAST PARKER VOSS Hydroscand HANSA-FLEX Vitillo 1C: Общие свойства Идентификатор каталога 1С d85a7423-835c-4153-a373-d8fccd4a7813 Идентификатор в 1С 392a4641-54b1-11ef-a7b4-00155d00c800
Артикул: 403918
TN94-ORFS 1.3/16"-NPT 1/2"
В наличии
Цена: По запросу
TN94-ORFS 1.3/16"-NPT 1" Объекты каталога Основные параметры Поле title TN94-ORFS 1.3/16"-NPT 1" Поле h1 TN94-ORFS 1.3/16"-NPT 1" Ценовые свойства Цена 0 Склады Общее количество на складах 0 Основные характеристики Артикул 403919 Старая цена 0 Описание Ввертной угловой адаптер (штуцер в тело-труба) резьбовое соединение с ORFS наружной резьбой под трубы или рвд с одной стороны и с наружной NPT резьбой в тело с другой, под углом 90 градусов. оригинальная цена 0 Изображения Картинка /images/cms/data/import_files/b8/tn94-orfs_1_3_16_-npt_1.jpeg 1C: Специфические свойства Резьба 1 Резьба 2 Выгружать на сайт Производитель Максимальное рабочее давление (bar) CAST PARKER VOSS Hydroscand HANSA-FLEX Vitillo 1C: Общие свойства Идентификатор каталога 1С d85a7423-835c-4153-a373-d8fccd4a7813 Идентификатор в 1С b8475f30-54b1-11ef-a7b4-00155d00c800
Артикул: 403919
TN94-ORFS 1.3/16"-NPT 1"
В наличии
Цена: По запросу
TN94-ORFS 1.7/16"-NPT 3/4" Объекты каталога Основные параметры Поле title TN94-ORFS 1.7/16"-NPT 3/4" Поле h1 TN94-ORFS 1.7/16"-NPT 3/4" Ценовые свойства Цена 0 Склады Общее количество на складах 0 Основные характеристики Артикул 403920 Старая цена 0 Описание Ввертной угловой адаптер (штуцер в тело-труба) резьбовое соединение с ORFS наружной резьбой под трубы или рвд с одной стороны и с наружной NPT резьбой в тело с другой, под углом 90 градусов. оригинальная цена 0 Изображения Картинка /images/cms/data/import_files/3c/tn94-orfs_1_7_16_-npt_3_4.jpeg 1C: Специфические свойства Резьба 1 Резьба 2 Выгружать на сайт Производитель Максимальное рабочее давление (bar) CAST PARKER VOSS HANSA-FLEX Vitillo 1C: Общие свойства Идентификатор каталога 1С d85a7423-835c-4153-a373-d8fccd4a7813 Идентификатор в 1С 3cf4b33f-54b2-11ef-a7b4-00155d00c800
Артикул: 403920
TN94-ORFS 1.7/16"-NPT 3/4"
В наличии
Цена: По запросу
TN94-ORFS 1.11/16"-NPT 1" Объекты каталога Основные параметры Поле title TN94-ORFS 1.11/16"-NPT 1" Поле h1 TN94-ORFS 1.11/16"-NPT 1" Ценовые свойства Цена 0 Склады Общее количество на складах 0 Основные характеристики Артикул 403921 Старая цена 0 Описание Ввертной угловой адаптер (штуцер в тело-труба) резьбовое соединение с ORFS наружной резьбой под трубы или рвд с одной стороны и с наружной NPT резьбой в тело с другой, под углом 90 градусов. оригинальная цена 0 Изображения Картинка /images/cms/data/import_files/8d/tn94-orfs_1_11_16_-npt_1.jpeg 1C: Специфические свойства Резьба 1 Резьба 2 Выгружать на сайт Производитель Максимальное рабочее давление (bar) CAST Vitillo 1C: Общие свойства Идентификатор каталога 1С d85a7423-835c-4153-a373-d8fccd4a7813 Идентификатор в 1С 8d5c956e-54b2-11ef-a7b4-00155d00c800
Артикул: 403921
TN94-ORFS 1.11/16"-NPT 1"
В наличии
Цена: По запросу
TN94-ORFS 2"-NPT 1.1/4" Объекты каталога Основные параметры Поле title TN94-ORFS 2"-NPT 1.1/4" Поле h1 TN94-ORFS 2"-NPT 1.1/4" Ценовые свойства Цена 0 Склады Общее количество на складах 0 Основные характеристики Артикул 403922 Старая цена 0 Описание Ввертной угловой адаптер (штуцер в тело-труба) резьбовое соединение с ORFS наружной резьбой под трубы или рвд с одной стороны и с наружной NPT резьбой в тело с другой, под углом 90 градусов. оригинальная цена 0 Изображения Картинка /images/cms/data/import_files/cf/tn94-orfs_2_-npt_1_1_4.jpeg 1C: Специфические свойства Резьба 1 Резьба 2 Выгружать на сайт Производитель Максимальное рабочее давление (bar) CAST Vitillo 1C: Общие свойства Идентификатор каталога 1С d85a7423-835c-4153-a373-d8fccd4a7813 Идентификатор в 1С cf83d0b8-54b2-11ef-a7b4-00155d00c800
Артикул: 403922
TN94-ORFS 2"-NPT 1.1/4"
В наличии
Цена: По запросу
Приносим свои извинения, если:
описание, габариты, комплект поставки, технические характеристики, страна производства, коды производителей, внешний вид в описании и цвет товара оказались неточными. Просим Вас требовать у продавца предоставление дополнительной технической документации или проверки в Вашем присутствии или удаленно комплектации, а также наличие и работоспособность как интересующих Вас в товаре функций, так и товара в целом, до его оплаты.